全國服務熱線86-537-4455161
來源:崇德精密機械 | 發布日期:2015-10-05 23:53 | 點擊閱覽: 69
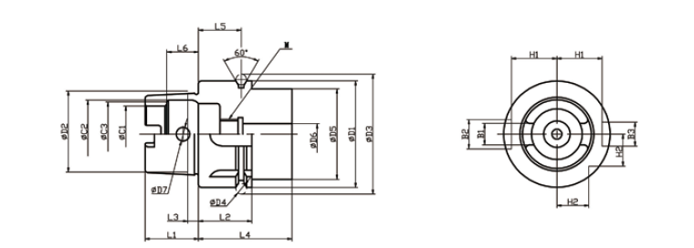
ER20-刀柄系列
本文標簽:ER20-刀柄系列
下一篇:組合壓板 上一篇:彈簧夾頭刀夾
山東省 >更多
>更多